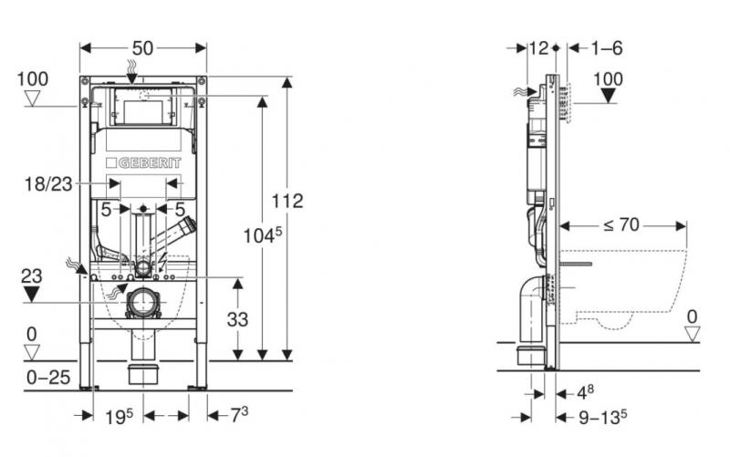
Geberit Duofix element til væghængt toilet 112 cm m/Sigma cisterne - til central udsugning
Anvendelse:
-
Til vægge med metal- og træskeletter
-
Til Geberit Duofix systemvægge
-
Til montering i halvhøje eller hele installationsvægge
-
Til montering i hele skillevægge
-
Til gulvkonstruktioner 0–25 cm
-
Til væghængte toiletter
-
Til tilslutning af en ekstern lugtudsugning
-
Ikke egnet til væghængte WC-skåle med forhøjet siddeposition eller integreret skylleslange
Egenskaber:
-
Serie 2025
-
Statisk selvbærende ramme, med pulverlakeret korrosionsbeskyttelse
-
Ramme til væghængte toiletter med tilslutningsmål iht. EN 33 og fremspring op til 70 cm
-
Med udtræksplade til fastgørelse på siden over elementet ved metal- eller træprofiler eller ved Geberit Duofix skaktelementer
-
Alternativ fastgørelsesposition for vægbeslag
-
Fodplader drejelige, der passer til montering i U-profiler UW 50 og UW 75
-
Fodplader kan monteres i Geberit Duofix systemskinne uden værktøj, uden ekstra komponenter
-
Fodstøtter forzinkede, korrosionsbeskyttede, med skridsikring
-
Afløbsbøjning i forskellige dybdepositioner kan monteres uden brug af værktøj, indstillingsområde 45 mm
-
Geberit Sigma indbygningscisterne 12 cm, kondensvandisoleret
-
Til front betjening, velegnet til enkelt-, dobbelt- eller skyl-stopskylning
-
Ved fabriksindstilling mulighed for øjeblikkeligt efterskyl
-
Ekstern lugtudsugning med tilslutningsmuffe ø 50 mm kan tilsluttes via skyllerørsbøjning
-
Monterings- og servicearbejde på indbygningscisterne uden værktøj
-
Vandtilslutning bag eller foroven midtpå
-
Montagekasse kan afkortes, beskytter mod fugt og smuds
-
Med tomrør til føderør til Geberit AquaClean douchetoiletter og til tilslutningskabel
-
Fastgørelse for eltilslutning samt Power & Connect Box